This file type includes high resolution graphics and schematics when applicable.
Safety applications, such as fire detection, are increasingly making use of RF/microwave technology. Microwave radiometers serving as remote temperature sensors have been proposed for surveillance use (e.g., forest-fire prevention in ground-based systems1) and for temperature monitoring in industrial applications (for example, in food industries2 or cement kilns3). The use of microwave radiometers in these applications can overcome the limitations of other technologies, such as infrared (IR) and optical sensors.
Related Articles
• High-Resolution AESA Radar Added to Global Hawk Payload
• Check For Co-Existence Between LTE And Radar
• Sea Radar System Detects Moving Targets While Avoiding Clutter
Microwave radiometers can operate effectively in dusty, smoky, and steamy environments, making the radiometric approach an appealing solution for temperature sensing in harsh environments. In addition, the RF/microwave approach for such sensors offers reduced costs compared to other technologies. To demonstrate the effectiveness of RF/microwave technology for fire detection, a low-cost Ku-band radiometer prototype was designed and tested. The results confirm the validity of the approach and represent a first step toward the realization of a low-cost radiometer suitable for temperature sensing. When used as fire sensor, the receiver has been capable of detecting a fire spot of 0.09 m2 area at a distance of 3 m with a 20-dBi horn antenna.
Figure 1 presents a schematic diagram of the proposed radiometer. An input single-pole, double-throw (SPDT) switch (SW1) alternatively connects the receiver input to the antenna and to the reference load. The RF section also is comprised of an isolator, a low-noise amplifier (AMP1), a bandpass filter (BP1), and a square-law detector (DET1). Additional low-frequency devices include an amplifier (AMP2) cascaded with the active bandpass filter (BP2), a synchronous AC/DC demodulator, and a lowpass filter (LP1). A modulating square-wave local-oscillator (LO1) source controls both the RF input switch and the synchronous demodulator at a switching rate of fs. An analog-to-digital converter (ADC) at the output of the receiver digitizes processed signals.
The receiver is basically a Dicke radiometer, a configuration preferred to a total power radiometer architecture for its improved performance in terms of enhanced achievable resolution.4 Additional features have also been added to the basic Dicke configuration, such as an amplified detector. Compared to a superheterodyne receiver (or standard Dicke architecture), this direct-detection receiver does not require a downconversion mixer or local oscillator (LO) for signal translation. As a result, the receiver design exhibits lower noise temperature and power consumption, simpler structure, and reduced costs compared to a superheterodyne receiver.
The radiometer was assembled entirely with standard commercial RF/microwave components operating at Ku-band frequencies, except for bandpass filter BP1. The main features of these components are listed in the table. All of the standard components have been selected based on a previous performance analysis of the radiometer receiver as a whole. Of primary importance are the low-loss input switch and the low-noise amplifier (LNA). Moreover, the amplifier gain has been selected to provide the required radiometer resolution with a feasible radiometer integration time.
This file type includes high resolution graphics and schematics when applicable.
A Closer Look
This file type includes high resolution graphics and schematics when applicable.
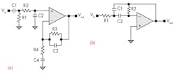
The radiometer’s amplified bandpass filter (BP1) consists of a band-limited amplifier (AMP2) cascaded with a bandpass filter (BP2); both are centered at 80 Hz, the receiver switching frequency (fs). The amplifier [Fig. 2(a)] has a 160-Hz 3-dB bandwidth centered at fs. Active bandpass filter BP2 is a second-order Chebyshev circuit [Fig. 2(b)], realized by cascading two multiple-feedback bandpass cells. The filter is designed to provide 0.5-dB pass band ripple, 21.5-Hz equiripple bandwidth, and 60-dB peak gain at the center frequency. Figure 3 shows the measured transfer function of this amplified BPF, with experimental measured results compared with the filter’s computer-simulated response. The measured amplitude gain is 97 dB at the 80-Hz center frequency.
The radiometer’s synchronous AC/DC demodulator is obtained by cascading a unity-gain inverting amplifier to a quadruple single-pole single-throw (SPST) switch (Fig. 4). The four switch ports are connected and controlled in such a way that the device output voltage for one-half period of the control signal is equal to input voltage VIN and, for the following one-half period of the control signal, is equal to the output of the inverting amplifier. The switches are controlled by two complementary transistor-transistor-logic (TTL) signals at 80 Hz.
Lowpass filter LP1 is an active Butterworth third-order filter with 10-Hz cutoff frequency. It employs one second-order Sallen & Key cell cascaded with a first-order passive cell (Fig. 5). The second-order cell has equal R and C. Thus, the resulting filter presents nonunitary DC gain—2 V/V, in the current design. Figure 6 shows the measured and simulated filter amplitude gain; the filter exhibits roughly 6-dB amplitude gain and 10-Hz cutoff frequency.
The complete radiometer prototype (Fig. 7) comprises all RF and video devices already described. Additional components complete the receiver: an ADC with sampling frequency of 50 Hz connected at the output of the LPF, as well as the circuitry for the generation of modulating square-wave LO1 that controls both the input RF switch and the synchronous demodulator. A matched load is used as reference source.
As a first step, the sensor was characterized in terms of transfer function (linear relation between the input noise power/ antenna noise temperature and the output voltage mean value) and the associated resolution (standard deviation of the radiometer output voltage—i.e., standard deviation of the measured antenna noise temperature or radiometric resolution). This was done by connecting the antenna input port to a calibrated noise source while the radiometer output voltage, VOUT has been acquired with the ADC. Several acquisitions were performed for different values of input power (PRF) in the range from -102 to -82 dBm (in this context, the input power is calculated as the product of the input power noise density times the noise bandwidth). The lowpass filter output is acquired by an ADC (with total dimensions of 50 × 30 cm).
This file type includes high resolution graphics and schematics when applicable.
Summing Up
This file type includes high resolution graphics and schematics when applicable.
Measured results are shown in Fig. 8, where the measured output voltage mean values are plotted versus test input PRF. By interpolating the measured data, a linear (as expected) relation in between the input power and the output DC voltage has then been extrapolated. The obtained radiometer transfer function is given in Eq. 1:
VDC(mV) = γPRF(mW) + V0 = 1.13 × 1011 × PRF(mW) + 556.6 (1)
Given the radiometer calibration data obtained, it is possible to determine a linear function relating the antenna temperature TA and the measured receiver output, VOUT, when the radiometer input is connected to the antenna to observe the surrounding scene. In particular, VOUT is proportional to TA through the Boltzmann constant, the receiver bandwidth, and the calibration factor, γ of Eq. 1. From Eq. 1, one can conclude that, for the realized prototype, a 1 K increase in the antenna temperature corresponds to a 3.9-mV increase in the radiometer output signal.
Based on the same measurement setup, the radiometric resolution (standard deviation associated with the estimated antenna temperature) has also been measured by first calculating the standard deviation of VOUT and then by considering the linear relation between the measured output signal and the input antenna noise temperature (TA, as in Eq. 1). With the current approach, a 1.2 K radiometric resolution has been measured for 300 K antenna noise temperature. With digital filtering strategies, the obtained radiometric resolution can be further reduced: by applying a mobile average filter (with filter order N = 50) the radiometer sensitivity has been decreased down to 0.3 K. The ADC sampling frequency is 50 Hz; a 50-order filter corresponds to a 1-s integration time.
The radiometer was then tested in an open-space environment, using the measurement setup of Fig. 9. A 20-dBi Ku-band horn antenna was connected to the radiometer input. The antenna was placed at roughly a 1-m height and pointed toward the fire spot, with fire area of 0.09 m2 (30-cm-side square). The horizontal distance between the fire and the instrument was 3 m. The experimental results are shown in Fig. 10. Raw data were acquired with the ADC and then filtered with a 50-order mobile average digital filter (both raw data and filtered acquisitions are plotted in Fig. 10).
A maximum increment in radiometer output voltage of 80 mV was observed when the fire was at maximum (or 20 K in terms of radiometric contrast based on Eq. 1). This value is compatible with the predicted radiometric contrast for the current measurement setup,1 confirming the feasibility of the proposed approach for fire-detection applications. Fire extinguishing was recorded during a subsequent acquisition. As Fig. 10 shows, as the fire goes out, the output signal (starting from a maximum value) slowly decreases to the value corresponding to the absence of fire. Recorded local increments correspond to temporary increase in the fire area due to the presence of wind.
In summary, the Ku-band radiometer prototype exhibits radiometric resolution of 0.3 K for a 300-K antenna temperature, comparable with the performance of similar devices.1 Improved resolution may also be possible with increased integration time. Preliminary experimental results have indicated the usefulness of the instrument as a fire sensor: a fire spot of 0.09 m2 at a 3-m distance has been detected with a 20-dBi horn antenna, with corresponding increment in the radiometer output signal of 80 mV.2-5
The radiometer can be improved and additional features need to be implemented in the sensor. First of all, the dimensions of the device may be reduced. For the RF circuitry, rather than using commercial components (isolator, switch, or RF amplifier), in-house developed devices may be considered: this would allow for miniaturization as well as a cost reduction. Moreover, temperature monitoring still needs to be implemented in the instrument.
Finally, the absolute accuracy of the instrument as temperature sensor has not been evaluated. For fire-detection applications, however, this parameter is of minor importance as far as the increase in the antenna noise temperature rather than its absolute value should be properly measured. In short, these experimental results confirm the feasibility of the proposed design approach and represent a first step toward the realization of low-cost, high-performance remote temperature sensor suitable for surveillance and industrial applications.
G. Bianchi, R&D Engineer
This file type includes high resolution graphics and schematics when applicable.
References
This file type includes high resolution graphics and schematics when applicable.
1. F. Alimenti, S. Bonafoni, S. Leone, G. Tasselli, P. Basili, L. Roselli, and K. Solbach, “A low-cost microwave radiometer for the detection of fire in forest environments,” IEEE Transactions on Geoscience and Remote Sensing, Vol. 46, No. 9, September 2008, pp. 2632-2643.
Related Articles
• High-Resolution AESA Radar Added to Global Hawk Payload
• Check For Co-Existence Between LTE And Radar
• Sea Radar System Detects Moving Targets While Avoiding Clutter
2. K.D. Stephan, J.B. Mead, D.M. Pozar, L. Wang, and J.A. Pearce, “A near field focused microstrip array for a radiometric temperature sensor,” IEEE Transactions on Antennas and Propagation, Vol. 55, No. 4, April 2007, pp. 1199-1203.
3. Karl D. Stephan, Lingyun Wang, and Eric Ryza, “Microwave radiometry for cement kiln temperature measurements,” Journal of Microwave Power & Electromagnetic Energy, Vol. 40, No. 3, 2007, pp. 140-144.
4. F.T. Ulaby, R.K. Moore, and A.K. Fung, Microwave Remote Sensing, Artech House, Norwood, MA, 1981.
5. Giovani Bianchi and Roberto Sorrentino, Electronic Filter Design and Simulation, McGraw-Hill, New York, May 2007.
This file type includes high resolution graphics and schematics when applicable.












