Compact Antenna Snares WiMAX/WLAN
This file type includes high resolution graphics and schematics when applicable.
Antennas will usually form the most visible parts of a communications system. For wireless systems that are apparently ever-present—such as Worldwide Interoperability for Microwave Access (WiMAX) and wireless local area network (WLAN) systems—antennas that can cover the required bandwidths in the smallest packages possible offer great appeal for many system designers. An effective way to work with WiMAX and WLAN systems while shrinking the antennas is to use the same antenna for both systems, a dual-band antenna capable of handling both bands in one compact antenna body. With its 20 × 20 × 1 mm3 size, compact ground plane, and dual-band coverage, this antenna provides a suitable choice for wireless systems.
The growing demand for WiMAX and WLAN capabilities in mobile devices brings with it the need for antennas capable of handling multiple communications standards. To this end, multiband antennas have evolved into structures capable of handling multiple frequency bands by means of a single antenna body, with significant reductions in both size and cost. A number of interesting multiband antennas have already been reported, such as a novel compact loop-type antenna for Bluetooth, satellite digital-multimedia-broadcast (S-DMB), Wibro, WiMAX, and WLAN applications.1 Another antenna designed for WLAN and WiMAX uses a rectangular ring and an S-shaped strip on the top of the substrate, along with a crooked U-shaped strip and three straight strips located on the back layer of the design.2
Reference 3 addresses a printed broadband asymmetric dual-loop antenna which consists of two asymmetric radiated loops and asymmetric feeding structure suitable for WiMAX and WLAN applications. A compact triband antenna was introduced in ref. 4, with a metallic strip etched on the back side of the substrate. In ref. 5, a partial ground and a Y-shaped radiating patch consisting of two unequal monopole arms and a modified circular monopole were combined to create a triband antenna. In ref. 6, a multiband single-feed antenna with two arms was designed for Global-Positioning-System (GPS), digital-communication-system (DCS), and 2.4/5.8-GHz WLAN applications. Ref. 7 reported of a dual-band antenna implemented with L- and E-shaped radiating elements to generate two resonant modes.
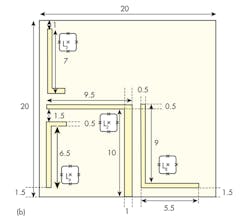
The current report presents a novel dual-band structure for WiMAX and WLAN use (Fig. 1). The same configuration was adopted for both the top and bottom substrate layers. The antenna was printed on FR-4 circuit laminate in a compact 20 × 20 × 1 mm3 size. It operates over the dual frequency bands of 3.1 to 3.8 GHz for WiMAX and 5.0 to 5.8 GHz for WLAN systems.
To better understand this antenna, its design can be explained in three basic steps. In the first step, an inverted L-shaped element, denoted L1, is used as the feeding and radiating patch system. A parasitic element with the same configuration, marked as L2 in Fig. 1, is located on the back side of the substrate. In the second step, four L-shaped elements designated as L3, L4, L5, and L6, are embedded in the antenna body both on the top and back layers of the substrate. In the third step, parasitic elements L7 and L8 are also included in the antenna structure beside the radiating patch.
Antenna performance simulations were carried out with the aid of the High Frequency Structure Simulator (HFSS) software from ANSYS, for which the S11 curves were extracted and depicted in Fig. 2. The antenna with elements L1 and L2 operates at frequencies from 3.5 to 4.0 GHz, which does not fulfill the requirements of WiMAX applications. By including elements L3 and L4 on the top side and elements L5 and L6 on the back side of the substrate, a resonance is excited at 3.5 GHz which results in frequency coverage of 3.2 to 4.0 GHz for WiMAX. By embedding elements L7 and L8 in the final structure, another resonance is excited at 5.5 GHz, while the second operating band at 5.2 to 5.9 GHz is created.
A prototype of the experimental antenna was fabricated and characterized to analyze its performance under real operating conditions. Figure 3 shows the fabricated antenna. The same configuration was adopted on both sides of the antenna structure. Figure 4 compares simulated and measured S11 curves for the design, and the measurements confirm that the structure operates over the frequency band of 3.1 to 3.8 GHz for WiMAX and 5 to 5.8 GHz for WLAN applications.
Figure 5 displays antenna peak gain for the WiMAX and WLAN bands. Relatively stable and acceptable peak gain suitable for these communication systems was obtained for the antenna in its two operating bands. To better understand the performance of the dual-band antenna, the E- and H-plane radiation patterns were studied at 3.5 and 5.5 GHz. The omnidirectional radiation patterns obtained at those two test frequencies (Fig. 6) indicate good performance for the WiMAX and WLAN frequency bands.
This file type includes high resolution graphics and schematics when applicable.
Assessing Performance
This file type includes high resolution graphics and schematics when applicable.
To assess the performance of this dual-band antenna, it was compared with three previous multiband antenna designs in terms of total size, ground-plane size, and operating frequency bands, with the comparison compiled in the table. The multiband antennas reports in refs. 2, 4, and 5 have larger total sizes and ground-plane areas than the current dual-band antenna design, although all of the antennas compared in the table support dual-band operation for WiMAX and WLAN systems.
The current design is capable of WiMAX and WLAN operation with somewhat smaller size and ground plane than the other three dual-band antennas. By suitable placement of the L-shaped parasitic elements and accurate tuning of their dimensions, good performance was obtained with this new antenna design. The earlier antenna designs achieved similar levels of performance through larger sizes and by devoting more area to the ground plane.
The three earlier antenna designs in refs. 2, 4, and 5 have ground planes of 390.6, 514.8, and 495 mm2, respectively, compared to a ground plane of only 38 mm2 for the new dual-band antenna design. This small ground-plane area makes this new dual-band antenna an attractive alternative for applications in which WiMAX and WLAN frequency coverage is required and antenna size must be minimized, while still providing excellent performance compared to the multiband antennas of refs. 2, 4, and 5.
For its relatively simple design, the new antenna delivers good performance in its bands of 3.1 to 3.8 GHz and 5.0 to 5.8 GHz for WiMAX and WLAN systems, respectively, while requiring a much smaller ground plane than competitive antenna designs. It offers numerous advantages compared to the previous dual-band antenna designs, including stable gain and good radiation properties, to make it a quite reasonable choice for communications systems in need of dual-band coverage from a compact antenna structure.
Acknowledgment
This work was supported by a research grant provided from Urmia Branch, Islamic Azad University, which is gratefully acknowledged.
Changiz Ghobadi, Professor
Maryam Majidzadeh, Engineer
Electrical Engineering Department, Urmia Branch, Islamic Azad University, Urmia, Iran
References
1. Y.S. Shin and S.O. Park, “A Compact Loop Type Antenna for Bluetooth, S-DMB, Wibro, WiMax, and WLAN Applications,” IEEE Antennas & Wireless Propagation Letters, Vol. 6, 2007, pp. 320-323.
2. Y. Xu, Y.C. Jiao, and Y.C. Luan, “Compact CPW-fed Printed Monopole Antenna with Triple-Band Characteristics for WLAN/WiMAX Applications,” Electronics Letters, Vol. 48, 2012, pp. 1519-1520.
3. C.M. Peng, I.F. Chen, and J.W. Yeh, “Printed Broadband Asymmetric Dual-Loop Antenna for WLAN/WiMAX Applications,” IEEE Antennas & Wireless Propagation Letters, Vol. 12, 2013, pp. 898-901.
4. M.J. Hua, P. Wang, Y. Zheng, and S.L. Yuan, “Compact Tri-Band CPW-Fed Antenna for WLAN/WiMAX Applications,” Electronics Letters, Vol. 49, 2013, pp. 1118-1119.
5. T. Wu, X.W. Shi, P. Li, and H. Bai,“Tri-Band Microstrip-Fed Monopole Antenna with Dual-Polarization Characteristics for WLAN and WiMAX Applications,” Electronics Letters, Vol. 49, 2013, pp.1597-1598.
6. R.K. Raj, M. Joseph, B. Paul, and P. Mohanan, “Compact Planar Multiband Antenna for GPS, DCS, 2.4/5.8 GHz WLAN Applications,” Electronics Letters, Vol. 41, 2005, pp. 290-291.
7. X.L. Sun, L. Liu, S.W. Cheung, and T.I. Yuk, “Dual-Band Antenna with Compact Radiator for 2.4/5.2/5.8 GHz WLAN Applications,” IEEE Transactions on Antennas and Propagation, Vol. 60, 2012, pp. 5924-5931.
This file type includes high resolution graphics and schematics when applicable.










