This file type includes high resolution graphics and schematics when applicable.
Novel transmission-line structures, such as substrate-integrated-waveguide (SIW) technology, can equip antennas with high gain at high frequencies for a variety of communications applications. To demonstrate, a square ring-slot, single-layer, circularly polarized SIW antenna was designed and developed for X-band applications. Through the use of two shorted square ring-slots in the top wall of the SIW substrate, along with shorting via holes, a circularly polarized (CP) antenna was achieved. The antenna features a good radiation pattern with high gain, with measured impedance bandwidth of 6.5% and axial ratio (AR) bandwidth of 1.5%. This high-gain antenna is suitable for satellite-communications (satcom) applications at X-band frequencies.
In addition to satcom systems, CP antennas are used extensively in radar and various other communications applications. They are useful since they can resolve problems in wireless channels such as polarization mismatch generated by Faraday effects and interference generated by multipath effects. SIW technology, as first proposed by Wu,1 enables easy integration with planar circuits by replacing conventional microstrip and stripline transmission-line designs. SIW technology features lower cost than conventional waveguide, with low loss, high-power capacity, and high quality factor (Q). In fact, SIW-based CP antennas have been reported by various researchers.2-7
These designs employed different approaches for CP performance. In ref. 2, for example, a 16-element top-wall SIW slot antenna used two compounded slot pairs to obtain CP performance centered at 16 GHz, although with a usable impedance bandwidth of just 2.3%. In ref. 3, a single grounded coplanar waveguide (CPW) structure was used to feed an X-band cavity-backed crossed-slot antenna, although this structure also suffered a narrow impedance bandwidth of less than 3% and a narrow axial ratio (AR) bandwidth about 1% for an AR of less than 3 dB. In refs. 4-6, shorting via holes were used to connect the metal area bounded by the ring-slot at the top wall and the bottom wall of SIW to obtain a CP wave, so the locations of the shorting via holes and fabrication errors associated with them greatly affected the CP characteristics.
In ref. 5, the authors studied SIW cavity-backed antennas using microstrip-to-SIW and coaxial-to-SIW transitions. A good level of cross-polarization was obtained with the coaxial-to-SIW transition, with antenna gain about 7 dBi. The AR bandwidth and the impedance bandwidth were almost the same as for a circular ring-slot antenna.4 However, the antenna occupies a relatively large area, and its design is complex.
In the present report, a square ring-slot SIW CP antenna was developed for X-band applications. Two shorted strips are etched into the slot to obtain the CP wave. The design is simple and fabrication for the shorted strip is easier than for the antenna with the shorting via hole.
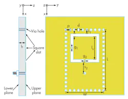
Figure 1 shows the antenna’s geometrical configuration (side view on left and top view on right). The overall size of the SIW antenna is 34 × 34 mm2. It consists of three parts: the SIW structure, the square ring-slot with two shorted strips, and a coaxial feeding probe. The SIW is created by two rows of via holes and its one end shorted.
Parameter P is the distance between two via holes and d is the diameter of the via holes, while parameters W and L represent the width and length of the SIW structure, respectively. These SIW values should imply that it operates in fundamental mode, TE10. Parameters g1 and g2 are the length of the shorted strips and their width is as long as the width of the ring-slot denoted as ws.
Then, the distance between the feeding probe and the bottom of square ring-slot is denoted as s2, and it is in the center of the SIW in the y-direction. Parameter s1 is the distance between the top of square ring-slot and the shorted end , with the inner dimension of the square ring-slot as ls.
This file type includes high resolution graphics and schematics when applicable.
Designing The Antenna
This file type includes high resolution graphics and schematics when applicable.
The antenna was designed with the help of Version 10.0 of the High-Frequency Structure Simulator (HFSS) finite-element-method (FEM) simulation software from ANSYS. It is based on TLX-8 printed-circuit-board (PCB) material from Taconic Advanced Dielectric Div. with a relative permittivity of 2.55; a height of 1.52 mm was used for the antenna. During computer simulation and optimization, it was concluded that parameter ls affects the operating frequency of the antenna, while parameters g1 and g2 determine the quality of the CP wave. The final parameter values for the antenna are shown in the table.
Figure 2 shows the fabricated SIW antenna, where an SMA connector has been soldered to the feed port. The VSWR was measured with the assistance of a model E8363B vector network analyzer (VNA) from Agilent Technologies. Figure 3 shows the simulated and measured VSWR results, where it can be seen that the measured impedance bandwidth with VSWR less than 2.0:1 is 6.5% (from 9.04 to 9.64 GHz). A measured frequency that is higher than the simulated frequency range may be due to the tolerance error in the manufacturing process of the SIW structure.
Figure 4 shows that the measured AR also appears a frequency shift than the simulated AR, and the AR bandwidth is 1.5%. Figure 5 delineates simultaneously right-handed-circular-polarization (RHCP) and left-handed-circular-polarization (LHCP) gains for the SIW antenna in the xz- and yz-planes at 9.2 GHz. It indicates that the SIW antenna radiates a RHCP wave with cross polarization in the boresight direction. The measured gain is 8.05 dBi in the boresight direction at 9.2 GHz.
In summary, the SIW antenna is relatively simple and easy to fabricate. It achieves high gain at 9.2 GHz with a 6.5% impedance bandwidth and 1.5% AR bandwidth, with gain of 8.05 dBi at boresight with low cross-polarization. It is a design suitable for use in satcom systems.
This file type includes high resolution graphics and schematics when applicable.
Acknowledgments
This file type includes high resolution graphics and schematics when applicable.
This work was supported by the National Natural Science Foundation of China Project (Grant No. 61301068) and the Fundamental Research Funds for the Central Universities (Grant Nos. K50511020018 and K5051302075).
Fangfang Fen, Doctor
Wei Wang, Master
Zehong Yan, Professor
Science and Technology on Antennas and Microwave Laboratory, Xidian University, Xi’an, Shaanxi, 710071, People’s Republic of China.
References
1. F. Xu and K. Wu, “Guided-wave and leakage characteristic of substrate integrated waveguide,” IEEE Transactions on Microwave Theory and Techniques, Vol. 53, No. 1, January 2005, pp. 66-73.
2. Chen Peng, Hong Wei, Kuai Zhenqi, et al., “A substrate integrated waveguide circular polarized slot radiator and its linear array,” IEEE Antennas and Wireless Propagation Letters, Vol. 8, 2009, pp. 120-123.
3. G.Q. Luo, Z.F. Hu, Y. Liang, L.Y. Yu, and L.L. Sun, “Development of low profile cavity backed crossed slot antennas for planar integration,” IEEE Transactions on Antennas and Propagation, Vol. 57, No. 10, October 2009, pp. 2972-2979.
4. D. Kim, J. W. Lee, C.S. Cho, et al., “X-band circular ring-slot antenna embedded in single-layered SIW for circular polarization,” Electronics Letters, Vol. 45, No. 13, June 2009, pp. 668-669.
5. D. Kim, J. W. Lee, T.K. Lee, et al., “Design of SIW cavity-backed circular-polarized antennas using two different feeding transitions,” IEEE Transactions on Antennas and Propagation, Vol. 59, No. 4, April 2011, pp. 1398-1403.
6. Jaroslav Lacik, “Circularly polarized SIW square ring-slot antenna for X-band applications,” Microwave and Optical Technology Letters, Vol. 54, No. 11, November 2012, pp. 2590-2593.
7. Yue Li, Zhi Ning Chen, Xianming Qing, et al., “Axial ratio bandwidth enhancement of 60-GHz substrate integrated waveguide-fed circularly polarized LTCC antenna array,” IEEE Transactions on Antennas and Propagation, Vol. 60, No. 10, October 2012, pp. 4619-4626.
This file type includes high resolution graphics and schematics when applicable.









