Download the PDF of this article.
The 60-GHz frequency band is viewed as a solution for “last-mile” wireless communications links as well as for short-range communications in potential fifth-generation (5G) wireless networks. Achieving such solutions will require cost-effective components at frequencies that were once considered for experimental or military purposes, or for such “exotic” applications as radio astronomy or vehicle collision-avoidance radar systems.
On that front, Pasternack Enterprises applied its experience in manufacturing millimeter-wave components to develop a family of millimeter-wave modules and components that can be combined to realize practical communications links at 60 GHz. The latest member of the product line is a compact transmitter module that provides generous output power from 57.0 to 64.8 GHz.
1. The PEM101 transmitter module covers a frequency range of 57.0 to 68.4 GHz with RF output power of +12 dBm.
Millimeter-wave frequency bands such as 60 GHz offer wide bandwidths in support of high-data-rate communications. However, they are subject to considerably higher atmospheric attenuation compared to lower-frequency signals and thus are limited to short-distance applications.
The 60-GHz band was chosen by the Third Generation Partnership Project for use in the fifth generation of cellular and by the Wi-Fi Alliance (formerly Wi-Gig) that is championing a Wi-Fi standard called IEEE 802.11ad, which promises data rates greater than 1 Gb/s over short distances. It’s also being considered for cellular backhaul, fixed wireless access systems for delivery of residential broadband and entertainment, and ultimately the upward expansion of point-to-point and point-to-multipoint links as lower-frequency allocations become more populated.
A Compact Solution
The model PEM010 is a waveguide transmitter module that is tunable across a frequency range of 57.0 to 64.8 GHz (Fig. 1). It provides +12 dBm output power at 1-dB compression across that frequency range, with saturated output-power levels slightly higher (see table).
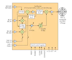
The transmitter module is based on a double-conversion superheterodyne architecture (Fig. 2) with a sliding intermediate frequency (IF) at one-seventh the carrier frequency. The module uses silicon-germanium (SiGe) monolithic-microwave-integrated-circuit (MMIC) components for the power amplifier (PA) and frequency synthesizer, which achieves low phase noise at millimeter-wave frequencies.
The transmitter’s voltage-controlled oscillator (VCO) operates at two-sevenths the carrier frequency and the local oscillator (LO) at three times the VCO frequency. LO and IF generated by the synthesizer produce step sizes of 500 MHz or 540 MHz, depending on which of two reference clocks is used. The 540-MHz step size supports IEEE channels for 802.11ad wireless systems.
Inputs to the transmitter module can be either in-phase (I) and quadrature (Q) analog baseband signals or frequency-shift-keying (FSK) and minimum-shift-keying (MSK) modulated signals through different interfaces, which are upconverted to the IF at the input mixers. The IF signal is fed to a variable-gain amplifier (VGA) with a range of 20 dB and then to a variable IF filter, after which the resulting signal is mixed with the LO signal. The output of the mixer is fed to the SiGe PA that connects to the antenna using a low-loss UG-385/U WR-15 waveguide transition. A multipin ST4 connector is used for power, reference clock, digital control port, and baseband signals.
2. The transmitter module employs a SiGe MMIC for its frequency synthesizer and RF power amplifier, achieving low phase noise even close to the carrier.
Typical PEM010 performance includes 38-dB gain, image rejection of 34 dB, a modulation bandwidth as wide as 1.8 GHz, and phase noise of ‒111 dBc/Hz offset 10 MHz from 308 MHz. Phase noise and I/Q balance specifications are sufficient for modulation formats to 16-state quadrature amplitude modulation (16QAM). Additional performance specifications are shown in the table.
For those in search of a complete 60-GHz link solution, the PEM101 transmitter module is compatible with other modules in Pasternack’s 60-GHz development system. The development system includes a 60-GHz receiver and five horn antennas. The horn antennas cover various portions of the 60-GHz band with as much as 42-dBi gain and coverage patterns ranging from omnidirectional to very narrow beamwidths. A 60-GHz baseband I and Q signal source, model PEM004, is also available as part of the development system.
The complete development system includes the transmitter and receiver modules, transmit and receive printed-circuit boards (PCBs), two tripods, mounting brackets, ac-to-dc power adapters, USB cables, and control software. Various accessories, including phase-matched baseband coaxial cables, can be added to complete the development-system package. In this way, 60-GHz technology, which has been “just around the corner” for many years, can be quickly and easily implemented.
Pasternack Enterprises, 17802 Fitch, Irvine, CA 92614; (866) 727-8376)
About the Author
Jack Browne
Technical Contributor
Jack Browne, Technical Contributor, has worked in technical publishing for over 30 years. He managed the content and production of three technical journals while at the American Institute of Physics, including Medical Physics and the Journal of Vacuum Science & Technology. He has been a Publisher and Editor for Penton Media, started the firm’s Wireless Symposium & Exhibition trade show in 1993, and currently serves as Technical Contributor for that company's Microwaves & RF magazine. Browne, who holds a BS in Mathematics from City College of New York and BA degrees in English and Philosophy from Fordham University, is a member of the IEEE.

Leaders relevant to this article:



