This file type includes high resolution graphics and schematics when applicable.
Non-50ohm measurements have become a hot topic over the past few years, with techniques being used for amplifier design, model extraction, model validation, performance and ruggedness testing, and more. For a beginner, so much information might seem overwhelming, and a basic introduction to non-50ohm measurement concepts and the need for such measurements would be extremely helpful. You’ve asked, we’ve answered…introducing a beginner’s guide to all things “load pull.”
Non-50ohm measurements are commonly referred to as load pull, where the load impedance presented to the device under test is “pulled,” or manipulated to present an impedance other than 50ohms. The device under test reacts differently to the impedances presented and the objective is to understand changing device performance or sensitivity to varying load conditions. Load pull is achieved using impedance tuners, an instrument or device used to tune the impedance.
Slide Screw Tuners
The most common modern impedance tuner is the slide-screw tuner. The slide-screw tuner consists of a precision 50ohm slabline consisting of two parallel plates and a center conductor, and a metallic probe (or slug). When the probe is completely withdrawn from the slabline, the signal entering the tuner passes through with minimal interference. As the probe is lowered into the slabline, the electric field of the signal is interrupted, part of the signal is reflected back towards the DUT, and the magnitude of reflection (or gamma, or VSWR) increases.
As the probe’s position in relation to the DUT changes, the distance between the tuning element (probe) and the DUT changes, thereby changing the phase of the reflection. By moving the probe up and down, left and right, we are able to present nearly any impedance to the DUT, represented by full coverage of the Smith Chart.
An automated slide-screw impedance tuner works exactly like its manual cousins, except instead of relying on hand positioning, motors are used to move and position the probe with extreme precision. Automation allows us to pre-calibrate (pre-characterize) the tuner.
Pre-calibration is the association of scattering parameters (s-parameters) to physical X- and Y-positions of the probe, thereby creating a lookup table to be used in determining how to present an impedance to the DUT. A calibrated VNA and automated software are used to measure the s-parameters as a function of probe position, and positions are usually chosen to fully enclose the Smith Chart.
Uses of Tuners
There are many uses of modern impedance tuners, and in general offer an efficient method to design and test your designs at the component level, circuit level or system level. Impedance tuners can be used to determine the ideal matching impedance for power, gain, efficiency, noise figure, or other parameters in amplifier design. They can be used to build models, taking non-50ohm measurements and incorporating them into a compact, database, or behavioral model.
They can be used to validate models, comparing simulated performance results against actual measured data. They can be used to test the performance of a matched DUT as a function of mismatch, measuring the drop in performance as the match is tuned away from 50ohm. It can be used to test finished systems such as mobile phones, radios, and transceivers. One simple tool, so versatile.
This file type includes high resolution graphics and schematics when applicable.
Traditional (Scalar) Load Pull
This file type includes high resolution graphics and schematics when applicable.
Traditional scalar load pull uses automated impedance tuners to tune the impedance presented to the source and/or load of the DUT, and uses a scalar power meter as the central measurement instrument. Power is measured at the power sensor reference plane, and mathematically de-embedded to the DUT reference plane taking into account the passive losses between the power sensor and the DUT, including the loss of the tuner which changes as a function of impedance/probe position. The power sensor is wideband, and measures all power including the fundamental and harmonic frequencies.
A spectrum analyzer (or multiplexer with several power sensors) can be added in order to read specific powers at each frequency as well as powers at intermodulation frequencies if driven by a two-tone signal. Depending on the signal source and analyzer, CW, pulsed-CW, single-tone, two-tone, and/or modulated signals, and their respective measurement parameters, may be achievable.
Vector-Receiver Load Pull
Vector-receiver load pull uses the same automated impedance tuners to tune the impedance presented to the source and/or load of the DUT. However, instead of using a scalar power meter to measure scalar powers, a vector-receiver (normally of a vector network analyzer, VNA) is used to measure the vector a- and b-waves at the DUT reference plane. This is achieved by connecting the direct receiver access of the VNA to low-loss couplers placed between the tuners and DUT and calibrating the system at the DUT reference plane.
A1, b1, a2, and b2 are measured for each frequency, and from these vectors we are able to calculate available and delivered input power, output power, transducer and power gain, efficiency, and true power added efficiency. Additionally, because we are calibrated at the DUT, we can measure the large signal input impedance in real-time, monitor for oscillations (gamma in >1) and measure the mismatch to calculate actual delivered power to the input of the DUT. We can also look into the tuners and measure the impedance presented to the DUT, not relying on the pre-calibrated (pre-characterized) impedances and losses.
And since the measurements are made at the DUT reference, there is no mathematical de-embedding (eliminates a source of measurement error). Signals include CW or pulsed-CW, single-tone, or two-tone with their respective measurement parameters (by default measured on a frequency-by-frequency basis given the a- and b-waves are frequency dependent).
Some modern VNAs are capable of Nonlinear-VNA measurements (NVNA) including time-domain voltage and current waveforms and load lines, which can be useful for studying classes of operation. Vector-receiver load pull can be easily extended to NVNA-based load pull (as long as the VNA can perform NVNA measurements, so can the load pull system).
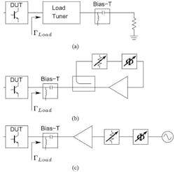
Active and Hybrid-Active Load Pull
As discussed earlier, passive load pull can be achieved by using a mechanical slide-screw tuner to partially reflect part of the signal back towards the output of the DUT. In reality, the impedance presented to the DUT, gamma, load, is the ratio between the reflected signal a2 and the forward traveling signal b2. Hence by adjusting the probe of the tuner, we are changing the magnitude and phase of the reflected a2 signal and therefore changing the magnitude and phase of the impedance presented to the DUT.
With active load pull, instead of using a passive tuner to reflect the signal back towards the DUT, the signal is either adjusted in magnitude and phase and recirculated (closed-loop active load pull) or terminated and a new signal is introduced back towards the DUT (open-loop active load pull).
Closed-loop active load pull has the benefits of not requiring a separate signal source for injection, and starting at a higher power signal (Pout of DUT) before amplification. Disadvantages include the possibility of oscillations due to the close-loop nature of the RF circuit.
Open-loop active load pull has the benefits of being easy to implement and control and safe from most oscillations. However, it requires the addition of signal sources and larger amplifiers to achieve the desired results.
Open-loop active load pull is currently the more popular approach due to its robustness and ease of implementation. Active load pull can be used to replace a passive tuner, or used to enhance a system containing tuners. When placed behind a load tuner, active load pull can act in enhancement mode, adding to the reflected power of the passive tuner and achieving a higher gamma.
Additionally, it can be easily used to add harmonic impedance control when combined with passive tuners, or used independently for harmonic load pull with multiple active tuning loops.
This file type includes high resolution graphics and schematics when applicable.
Mixed-Signal Active Load Pull
This file type includes high resolution graphics and schematics when applicable.
Mixed-signal active load pull is an extension of open-loop active load pull, where a new signal is created to satisfy the equation gamma = a2/b2. However instead of looking at a single frequency (or a set of harmonic frequencies), we are looking at a wideband set of frequencies covering the modulation bandwidth of a realistic communication signal.
By using wideband AWG and A/D, it is possible to control the impedance presented to the DUT over a bandwidth of up to 240 MHz. As such, active load pull can be extended to modulated signals as well as single-tone and two-tone CW and pulsed-CW signals, and can compensate for phase-delay effects introduced into measurement systems that might degrade RF performance.
The wideband signal generation and analysis can also be used with single-tone signals, where the signal is divided in time, and the record which would contain the wave modulation for a single modulated impedance can contain several wave magnitudes and phases representing many single-tone impedances. In this manner, it is possible to load pull 1000 impedance/power states per minute.
Harmonic Load Pull
Harmonic load pull is an extension of load pull, in which not only the fundamental frequency impedance is controlled, but also harmonic frequency impedances. The methodology used to perform harmonic load pull can differ based on the load pull methodology (traditional vs. vector-receiver). Passive harmonic load pull can be as simple of using multiple tuners, one for each frequency, whose effects are separated by a multiplexer, so that each tuner has a narrowband effect only at its frequency of interest.
A second passive method involves cascading tuners, either internally or externally, so that the number of tuning probes equals the number of controlled harmonic frequencies. In this case, mathematics are used to determine unique positions of the various probes such that the vector addition at all frequencies results in the requested impedances.
Harmonic load pull can also be achieved through active tuning as explained earlier, with an active tuning source dedicated to each frequency, and the injected a2 wave at each harmonic frequency being set to satisfy the gamma@nF = a2@nf/b2@nf.
Biasing a Device for Load Pull
In most cases, any DC power supply can be used to bias a DUT. In some cases, it is good enough to use a constant DC bias, however there are instances in which it might be less than ideal. When a device is driven with a pulsed-CW signal, the current-drawn from the supply will be modulated with the RF pulse; in this case it is important to measure the bias at the peak of the pulse using an oscilloscope.
Another option is to use a forced pulsed-bias to apply the bias only during the on-time of the RF signal. This not only eliminates the possible need of an oscilloscope (if the pulsed supply has its own measurement capability), but the overall temperate of the DUT remains lower and can be useful for avoiding self-heating phenomena.
Summary
Load pull is an essential tool in the design, test, model validation process of amplifier development and is also used in test validation of various system modules. There are different methods to perform load pull and based on customer requirement, one of the aforementioned methods is chosen. The details of each method is an elaborate paper by itself, but this article aimed to introduce just the basics of load pull and tools needed to accomplish this measurement.
Gary Simpson is Chief Technical Officer for Maury Microwave. Read Microwaves & RF's exclusive Q&A with him here.
This file type includes high resolution graphics and schematics when applicable.
About the Author
Gary Simpson
Chief Technical Officer
Gary Simpson received his Bachelor degree from DeVry Institute of Technology in 1972, and his Masters degree from Arizona State University in 1978. He has been involved with microwave measurements since 1973, starting with device characterization through manual load pull on microwave power transistors at his first job at Motorola. He has been with Maury Microwave since 1982, where he began developing components and fixtures for microwave measurements, including network analyzer calibration standards and techniques. Gary is a pioneer in device characterization systems; in 1987 he developed one of the earliest automated slide-screw tuners for advanced load pull measurements. Since then, he has been responsible for much of the on-going development of device characterization techniques, methodologies and systems. He is currently chief technical officer at Maury Microwave Corp.









