Building a Zero-Order BPF with CRLH Transmission Lines
Download this article in PDF format.
Miniaturization of RF/microwave filters helps pave the way to developing smaller wireless devices for internet access. Using metamaterials and circuit structures such as composite-right-left-handed (CRLH) resonators has proven effective in shrinking RF/microwave filter circuits and was demonstrated in the design of a compact bandpass filter (BPF) well-suited for WiMAX wireless applications.
Leveraging third-order coupled CRLH resonators, the filter achieves a center frequency of 5.9 GHz with transmission zero at 6.4 GHz. Measuring just 16 × 24 mm2, or about 40% the size of BPFs based on conventional resonators, the filter has a passband insertion loss of just 1.5 dB.
Metamaterials have shown great promise for the fabrication of compact, high-frequency RF/microwave circuits.1-4 First proposed in 2002, CRLH transmission lines (CRLH-TLs) are forms of high-frequency transmission lines that exhibit backward-wave transmission behavior capable of unusual electromagnetic (EM) wave propagation. Metamaterial approaches to microwave circuit design are typically based on CRLH or negative-refractive-index transmission lines in planar structures by loading a host transmission line with series capacitor and shunt inductive load.
Use of metamaterials and CRLH-TLs enables the design of RF/microwave BPFs with small size, low passband loss, and even low cost. The small sizes supported by metamaterials make possible multiple-band filters that are a fraction of the size of BPFs formed with conventional transmission lines.5-10 Coupled metamaterial resonators have formed compact BPFs.8,10 In addition, compact microwave CRLH gap resonators with high quality factors (Qs) show great promise for forming miniature BPFs.11,12
To demonstrate, by combining high-Q CRLH gap resonators with third-order zeroth-order-resonator (ZOR) coupled resonators, a microwave BPF with extremely compact dimensions was designed and fabricated for WiMAX applications with standard, low-cost circuit materials. The filter was constructed on RT/duroid 6010 circuit material from Rogers Corp. The 1.27-mm-thick circuit material has dielectric constant of 10.8 at 10 GHz in the z-axis (thickness). Commercial electromagnetic (EM) simulation software helped optimize the design, which was characterized using a 50-Ω microstrip feed line and commercial test equipment, notably an RF/microwave vector network analyzer (VNA).
Figure 1 shows an equivalent-circuit model of the CRLH-TL that consists of right-handed inductance (LR), right-handed capacitance (CR), left-handed inductance (LL), and left-handed capacitance (CL). In a practical circuit design, CL is fabricated as a four-finger interdigital capacitor, LL is a viahole in the printed-circuit-board (PCB) material, and capacitance CR and inductance LR are parasitic circuit elements essentially invisible in size.
1. Shown is an equivalent-circuit representation of a composite-right-left-handed (CRLH) unit cell resonator.
Mathematical analysis of the CRLH structure can be performed by applying transmission-line theory to the equivalent circuit of a CRLH cell. In this case, the CRLH cell is coupled to a short 50-Ω (Z0) feed line for impedance matching to 50-Ω environments and measurements with an RF/microwave VNA.
The frequency of a ZOR is independent of the order of the unit cell. This property can be parlayed into the design of a novel filter in which the center frequency is independent of the physical length of the transmission lines. In turn, the filter’s size can be dramatically reduced, since the resonator frequency does not rely on the half-wavelength size of the transmission lines.5-8
The phase of the transmission lines can be found by applying Eq. 1, as a super-position of right- and left-banded phases from the CRLH transmission lines. By controlling the circuit loading elements (CL and LL), a zero-phase condition (φCRLH = 0) is achievable:
φCRLH = -βl = [1/ω(CL LL)0.5 – ω(CR LR)0.5] (1)
2. This layout was used in the fabrication of a CRLH unit cell on commercial PCB material.
Figure 2 provides a layout of the CRLH unit cell used in the design of the compact BPF. Figure 3 shows the computer-simulated full-wave scattering (S) parameters of the CRLH cell. The curves indicate a sharp resonance at 5.9 GHz, where the value of S21 (insertion loss) is almost −1 dB and the value of S11 (return loss) is less than −20 dB. Figure 4 shows the computer-simulated phase of the CRLH resonator cell, where the phase at 5.9 GHz is almost equal to 0. This is the justification for claiming that a zeroth-order coupled resonator has been created.
3. These simulated scattering parameters depict the insertion loss (S21) and return loss (S11) of the CRLH unit cell.
4. The plot shows the simulated S21 phase angle (in deg.) of the CRLH unit cell.
CRLH Construction
A microstrip configuration was used to fabricate a two-pole filter using equivalent circuits of the CRLH unit cell resonators (Fig. 5) as building blocks along with a capacitive gap, with the design aided by full-wave EM simulations in the ANSYS HFSS software to find computer-simulated S-parameters. The filter was constructed on commercial PCB material (including low-loss viaholes). The circuit material was Rogers Corp.’s RT/duroid 6010.2, with dielectric constant of 10.8 and dissipation factor of 0.0023, both at 10 GHz. Substrate thickness was 1.27 mm, with 0.35-µm-thick copper cladding for forming the circuit traces.
5. This CRLH resonator equivalent-circuit diagram was used to construct a two-pole CRLH filter.
These parameters were duplicated in the HFSS EM simulation software from ANSYS. The lumped-element circuit parameters for the equivalent-circuit model of a two-pole filter, which were also developed with the aid of the Advanced Design System (ADS) simulation software from Keysight Technologies, include CR of 0.2 pF, LR of 0.21 nH, CL of 5.0 pF, LL of 5.2 nH, center frequency (f0) of 5.9 GHz, and feed-line impedance (Z0) of 50 Ω.
6. The layout of a two-pole CRLH-based bandpass filter (a) is shown next to a fabricated prototype of the filter (b).
Figure 6a shows the layout of the two-pole symmetrical BPF using coupled CRLH transmission-line resonators, where the overall size of the filter is 17 × 17 mm2. And Figure 6b shows a prototype of the fabricated CRLH filter. Figure 7 contains the simulated S-parameter magnitudes, where it should be clear that the passband surrounds a center frequency of 5.9 GHz with magnitude values of S21 = −2 dB and S11 = −25 dB. By comparing full-wave HFSS EM simulations with S-parameters measured with a VNA on the fabricated prototype, values of S21 = −2.5 dB and S11 approaching −10 dB were found for the experimental CRLH BPF design.
7. Two-pole filter scattering parameters and fabrication measurements are provided in this plot.
Third-Order Results
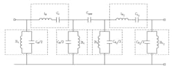
Figure 8a shows the layout of the BPF designed with third-order coupled CRLH-TL resonators, where the overall size of the BPF formed with these resonators is 16 × 24 mm2. The simulated (HFSS) scattering parameters for the filter (Fig. 9) indicate that it provides excellent performance through the passband surrounding its center frequency at 5.9 GHz, with passband insertion loss, S21, of just 1.5 dB, and passband return loss, S11, close to 30 dB. The filter has a transmission zero at 6.3 GHz, which equips it with an advantage in smaller dimensions compared to a conventional two-pole filter design.
8. The layout of the ZOR BPF formed with third-order CRLH resonators (a) is shown next to the fabricated prototype (b).
The single transmission zero also yields much improvement in skirt selectivity; the order number of the transmission zero is equal to N – 2, with N the number of resonators in the design. Fig. 9 shows good agreement between design theory and the EM simulation results, indicating that a lower transmission zero can be added to the design by increasing the filter order.
9. These measured results reveal the performance of the BPF fabricated with third-order CRLH resonators.
In fact, the compact filter has a frequency and passband characteristics that make it well-suited for WiMAX applications. It takes full advantage of the zeroth-order resonance of third-order coupled CRLH resonators to achieve good passband loss characteristics in a small size. The zeroth-order resonance at 6.3 GHz improves the passband skirt selectivity in a filter size of only 16 × 24 mm2. By following a design procedure that achieved good agreement among theory, computer simulations, and measurements, a 5.9-GHz BPF was created with CRLH resonators that’s about 40% smaller than BPFs designed with conventional microstrip transmission-line resonators.
References
1. C. Caloz, “Metamaterial Dispersion Engineering Concepts and Applications,” Proceedings of the IEEE, Vol. 99, No. 10, 2011, pp. 1711-1719.
2. Yuandan Dong and T. Itoh, “Promising Future of Metamaterials,” IEEE Microwave Magazine, Vol. 13, No. 2, 2012, pp. 39-56.
3. G. V. Eleftheriades, “Enabling RF/microwave devices using negative refractive-index transmission-line (NRI-TL) metamaterials,” IEEE Antennas and Propagation Magazine, Vol. 49, No. 2, 2007, pp. 34-51
4. M. A. Abdalla and Z. Hu, “Design and analysis of tunable left handed zeroth-order resonator on ferrite substrate,” IEEE Transactions on Magnetics, Vol. 11, 2008, pp. 3095-3098.
5. C. L. Holloway, Edward F. Kuester, J. A. Gordon, J. O'Hara, J. Booth, and D. R. Smith, “An Overview of the Theory and Applications of Metasurfaces: The 2-Dimensional Equivalents of Metamaterials,” IEEE Antennas and Propagation Magazine, Vol. 54, No. 2, 2012, pp. 10-35.
6. Qingshan Yang and Yunhua Zhang, “Negative-order ridge substrate integrated waveguide coupled-resonator filter,” Electronics Letters, Vol. 50, No. 4, 2014, pp. 290-291.
7. M. A. Abdalla, M. A. Fouad, and A. A. Mitkees, “Wideband Negative Permittivity Metamaterial for Size Reduction of Stopband Filter in Antenna Applications,” Progress in Electromagnetics Research C, Vol. 25, 2012, pp. 55-66.
8. J. Sorocki, I. Piekarz, K. Wincza, and S. Gruszczynski, “Right/Left-Handed Transmission Lines Based on Coupled Transmission-Line Sections and Their Application Towards Bandpass Filters,” IEEE Transactions on Microwave Theory and Techniques, Vol. 63, No. 2, Part: 1, 2015, pp. 384-396.
9. Mohammed. A. Fouad, and Mahmoud A. Abdalla, “A New π-T Generalized Metamaterial NRI Transmission Line for a Compact CPW Triple BPF Applications,” IET Microwave, Antenna, and Propagation, Vol. 8, No. 9, 2014, pp. 1097-1104.
10. Ahmed A. Ibrahim, Mahmoud A. Abdalla, and Diuradi Budimir, “Coupled CRLH Transmission Lines for Compact and High Selectivity Bandpass Filters,” Microwave and Optical Technlogy Letters, Vol. 59, No. 6, 2017.
11. Ahmed Ibrahim, Adel Abdel-Rahman, and Mahmoud Abdalla, “Design of Third-Order Band Pass Filter Using Coupled Meta-Material Resonators,” 2014 IEEE AP-S, Memphis, USA, pp. 1702-1703.
12. Ahmed F. Daw, Mahmoud A. Abdalla, and Hadya M. Elhennawy, “Dual Band High Selective Compact Transmission Line Gap Resonator,” 2014 Loughborough Antennas & Propagation Conference, 2014, Loughborough, UK, pp. 91-94.
13. Ahmed Fawzy Daw, Mahmoud Abd El Rahman Abdalla, Hadia Mohamed El Hennawy, “Multiband Sharp-Skirt Compact Gap Resonator Based D-CRLH,” 32nd National Radio Science Conference (NRSC2015), March 24-26, 2015, MSA University Egypt, pp. 43-50.
14. S. Karimian, M. Abdalla, and Z. Hu, “Left-Handed Stepped Impedance Resonator for WLAN Applications,” 3rd International Congress on Advanced Electromagnetic Materials in Microwaves and Optics, August 30-September 4, 2009, London, UK, pp. 105-107.
15. M. A. Abdalla, A. Y. Hassan, and A. M. Galal Eldin, “A Compact High Selective Gap Bandpass Filter Based CRLH TL,” 2015 9th International Congress on Advanced Electromagnetic Materials in Microwaves and Optics – Metamaterials, 2015, Oxford, UK.










