Filters Build Upon MCSRRs
This file type includes high resolution graphics and schematics when applicable.
Wireless communications systems and applications continue to expand, and many components have kept pace by shrinking in size to meet the needs of newer and smaller wireless electronic products. But some components, such as filters, still pose a challenge in terms of miniaturization, and bandpass, the use of left-handed materials has presented great promise for their miniaturization.1
Some microwave components can be shrunk in size and improved in performance through the use of left-handed materials, including antennas, baluns, couplers, filters, and phase shifters. Microwave circuit designs typically employ some form of transmission line as the propagation medium, loaded by split-ring resonators (SRRs) or lumped series capacitances and shunt inductances.
By applying multiple-split complementary split ring resonators (MCSRRs), series capacitive gaps, and grounded stubs, and working in microstrip, the current researchers were able to develop multiple-pole, narrowband bandpass filters capable of providing reliable filtering functions in extremely small sizes.
Bandpass filters are essential to the operation of many wireless communications systems, and many different filter structures have been explored in recent years. Bandpass filter designs on printed-circuit-board (PCB) materials have included complementary split ring resonators,2 multilayer-multichip-module (MCM-D) technology,3 and composite right/left-handed transmission (CRLH) technology.4 But these bandpass filter structures have only had one passband with a relatively narrow bandwidth.
With the growing number of wireless activities and applications, a multiple-band filter is a key requirement and has been pursued by numerous engineering teams and researchers. As a possible solution, in the current report, a planar multiple-band microwave filter based on simplified CRLH (SCRLH) material has been proposed.5-7
Microstrip filter structures can be quite complex, however. As part of this earlier filter solution proposal, a dual-mode resonant structure was designed and an ultrawideband (UWB) bandpass filter was detailed based on SCRLH material.8,9 But the design approach was not useful for implementing double-band or multiple-band filters as in the current work.
By way of a potential solution, a novel structure based on MCSRRs is proposed for the design of multiple-narrowband bandpass filters (MNBPFs), as well as wideband bandpass filters. The proposed filter features multiple passbands and a relatively small size. By adjusting the size of the grounded stubs, the center frequencies of the multiple-band filter’s passbands can be tuned. When these frequencies overlap, a wideband filter is formed.
The proposed filter design offers four passbands, with center frequencies at 4.49, 4.97, 5.47, and 5.92 GHz and with better than 20-dB return loss. The target 3-dB passband for the companion wideband filter that is part of this proposal is 5.89 to 7.06 GHz with less than 1.5-dB passband insertion loss.
The theory of metamaterials was introduced almost 50 years ago by Veselago.1 The current researchers present a MCSRR structure based on magnetic resonance to achieve negative permeability. Figure 1 shows the topology of these MCSRRs. From the diagram, it can be seen that a structure with two multiple-split hexagons is established at the top of the substrate. A dielectric material of FR-4 substrate with 0.8-mm thickness was used as the filter circuit material. The geometric values for the MCSRRs (for the diagram in Fig. 1) are as follows: a = 3 mm, c = 0.3 mm, e = 0.1 mm, and g = 0.2 mm.
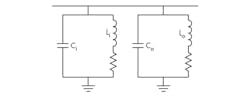
According to electromagnetic (EM) theory, an equivalent capacitance will be produced between two closed metal rings separated by a dielectric material. In the present report, an opening was etched in every opposite side of the circuit board, resulting in the equivalent capacitance disappearing. For the equivalent circuit shown in Fig. 2, the circuit elements Ci, Li, C0, and L0 were used to explain the magnetic resonances of the inside and outside rings, respectively. Using those same circuit elements, the two resonant frequencies, ω1 and ω2, can be found from these simple equations:
ω1 = 1/(LiCi)0.5
and
ω2 = 1/(L0C0)0.5
Figure 3 presents photographs of fabricated MCSRRs, with views of the top and bottom, while Fig. 4 contains simulated and measured results of performance. From these results, it can be seen that a double-band magnetic resonator has been proposed. It should also be apparent that the performance levels for insertion and return losses agree closely between measurements and simulations. At the resonator frequency, the insertion losses and return losses are less than 10 dB, which should only be possible by merit of a circuit material with negative permeability.
This file type includes high resolution graphics and schematics when applicable.
A Closer Look
This file type includes high resolution graphics and schematics when applicable.
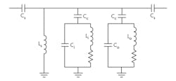
Figure 5 presents both the layout (right) and schematic diagram (left) for the proposed multi-narrowband filter. The filter layout was formed by etching an MCSRR unit onto the bottom of the circuit substrate, with series capacitive grounding stubs etched onto the top of the circuit substrate. The key to achieving the desired results with this proposed filter is the MCSSR unit. It can be used to improve the performance of the filter while also decreasing the size of the filter.
It should be noted that the double-band magnetic-resonator unit can have two poles; the microstrip structure must have two poles at the electronic resonance frequencies in order to yield a multi-narrowband filter (MNBPF) for each of the poles.
The equivalent circuit of the proposed filter (Fig. 6) should help to explain the theory behind the filter’s operation. The coupling of the line is described by means of capacitance Cc. The grounded stubs are modeled by means f the shunt inductance, Lp. The series capactances are accounted for by Cs.
From this equivalent circuit, it is possible to obtain several resonant frequencies for the filter. Series capacitance Cs and inductance Ls were used to explain resonant frequency f0, while capacitance Cc and the MCSRRs were used to explain the present of frequencies f1 and f2.
To fabricate the MNBPF, the following dimensions were selected and used: W1 = 3 mm; L1 = 8.8 mm; W2 = 0.55 mm; L2 = 6.3 mm; W3 = 0.5 mm; and C = 0.44 mm. The geometric values of MCSRRs were a = 8.8 mm and c = e = g = 0.5 mm. The filters were fabricated on FR-4 circuit substrate material with 0.8-mm thickness and relative dielectric constant, εr, of 4.4. The radius of the viahole is 0.1 mm.
Figure 7 offers a photograph of the proposed filter, which was characterized by a commercial microwave vector network analyzer (VNA). Both the simulated and measured results of the MNBPF’s performance is shown in Fig. 8. As those results reveal, the filter has four discrete bands, with center frequencies at 4.49, 4.97, 5.47, and 5.92 GHz, and return losses of less than 20 dB for each band.
It was previously known that the poles (and frequencies) of a multipole narrowband filter could be designed and tuned by choosing the size/dimensions of the microstrip transmission lines. In theory, a wideband filter with continuous passband could also be obtained with the same approach and design structure. To design a wideband bandpass filter, the size would be etched with the dimensions of
W1 = 0.8 mm and W3 = 0.3 mm.
Figure 9 shows the simulated and measured filter responses for the resulting structure. Return losses are more than 10 dB while insertion loss is less than 1.5 dB in the 3-dB passband from 5.89 to 7.06 GHz. This wideband filter has two zeros at 6.91 and 6.94 GHz in the passband. A short summary of the filter characteristics can be found in the table.
It was known that the performance of the wideband filter could be enhanced through the application of cascade approaches. As a result, a third-order cascade technology was adapted for the wideband filter. At the same time, the size of the filter remained acceptable for many wireless systems and applications, even with the use of the cascade technology.
As was shown, an MNBPF and a wideband bandpass filter based on MCSRRs could be fabricated with essentially the same structure. The multiple-band filter offers great potential for meeting filtering requirements in wireless systems where space is tight, and the fact that the same basic structure can be reused to fabricate a wideband bandpass filter makes the design even more versatile.
This file type includes high resolution graphics and schematics when applicable.
Acknowledgment
This file type includes high resolution graphics and schematics when applicable.
The authors would like to thank the National Nature Science Foundation of China for financially supporting this research under Grant No. 61274020.
Huai Yang, Master’s Candidate
Chunhua Wang, Professor, College of Computer Science and Electronic Engineering
Xiaorong Guo, Professor, College of Computer Science and Electronic Engineering
Jie Jin, Ph.D. Candidate
Zanming Xia, M.S. Degree Candidate
College of Information Science and Engineering, Hunan University, Changsha 410082, People’s Republic of China
References
1. V.G. Veselago, “The electrodynamics of substances with simultaneously negative the values of ε and μ,” Soviet Physics Uspekhi, Vol.10, February 1968, pp. 509-514.
2. Jordi Bonache, Ignacio Gil, Joan García-García, and Ferran Martín, “Novel Microstrip Bandpass Filters Based on Complementary Split-Ring Resonators,” IEEE Transactions on Microwave Theory & Techniques, Vol. 54, 2006, pp. 265-271.
3. J. Bonache, G. Posada, G. Carchon, W. De Raedt, and F. Martı´n, “Compact (<0.5 mm2) K-band Metamaterial Bandpass Filter in MCM-D Technology,” Electron Letters, Vol. 43, 2007, pp.45-46.
4. Marta Gil, Jordi Bonache, Joan García-García, Jesús Martel, and Ferran Martín, “Composite Right/Left-Handed Metamaterial Transmission Lines Based on Complementary Split-Rings Resonators and Their Applications to Very Wideband and Compact Filter Design,” IEEE Transactions on Microwave Theory & Techniques, Vol. 55, 2007, pp.1296-1304.
5. Miguel Durán-Sindreu, Gerard Sisó, Jordi Bonache, and Ferran Martín, “Planar Multi-Band Microwave Components Basedãon the Generalized Composite Right/Left HandedãTransmission Line Concept,” IEEE Transactions on Microwave Theory & Techniques, Vol. 58, 2010, pp. 3882-3891.
6. George V. Eleftheriades, “A Generalized Negative-Refractive-Index Transmission-Line (NRI–TL) Metamaterial for Dual-Band and Quad-Band Applications,” IEEE Microwave Wireless Component Letters, Vol. 17, No. 6, 2007, pp. 415-417.
7. Jin Xu and Wen Wu, “Miniaturised Dual-Wideband Bandpass Filter Using Novel Dual-Band Coupled-Line Sections,” Electron Letters, Vol. 49, 2013, pp.1162-1163.
8. F. Wei, C.-J. Gao, B. Liu, H.-W. Zhang, and X.-W. Shi, “UWB Bandpass Filter with Two Notch-Bands Based on SCRLH Resonator,” Electron Letters, Vol. 46, 2010, pp. 1134-1135.
9. Hui Wang, Yu-Qian Yang, Wei Kang, Wen Wu, Kam-Weng Tam, and Sut-Kam Ho, “Compact Ultrawideband Differential Bandpass Filter Using Self-Coupled Ring Resonator” Electron Letters, Vol. 49, 2013, pp.1156-1157.
This file type includes high resolution graphics and schematics when applicable.











