Metamaterials Sculpt UWB Bandpass Filter
This file type includes high-resolution graphics and schematics when applicable.
Modern communications rely on many separate frequency bands, but can also be conducted at low power levels across the single ultrawideband (UWB) range of frequencies from 3.1 to 10.6 GHz. To serve those applications, an UWB bandpass filter (BPF) was designed using metamaterials and composite-right-left-handed (CRLH) transmission lines.
The UWB filter, with a passband from 3.1 to 10.6 GHz, is based on a modified microstrip stepped-impedance-resonator (SIR) filter. Metamaterial transmission lines replace the microstrip SIR, with the metamaterial section designed with one CRLH unit cell. The filter design is only 23.4 × 20 mm2. Using this metamaterial approach increases the possible number of transmission poles from three in a conventional microstrip design to six in this CRLH design.
The U.S. Federal Communications Commission (FCC) approved the use of 3.1 to 10.6 GHz and fractional bandwidths for indoor/outdoor data communications systems, according to certain provisions.1 One of the key components for these systems is a BPF with extremely wide passband.2-4
Various approaches were attempted to cover the necessary bandwidth, including cascading bandpass and bandstop filters.5,6 This was accomplished by cascading ring resonators and short-circuit stubs, although the result is physically large. UWB filters have also been designed by combining BPFs and lowpass filters (LPFs) in a single design to save space.7 The tradeoff is that such filters lack sharp bandstop attenuation.
Hybrid designs with transitions between different transmission lines, such as microstrip and coplanar waveguide (CPW), have also been tried, although they can be difficult to fabricate.8,9 Use of short-circuited stubs has been suggested for UWB filters as a way to achieve high selectivity.10,11
Multimode resonators (MMRs) also were employed in UWB filter designs.12-15 The approach is based on generating multiple resonant modes (transmission poles) with the UWB passband. To reduce filter size, a stub-loaded MMR design technique was suggested.15-17 Tight coupling can be used at the input and output ports of an UWB filter to generate additional transmission poles.18-23 The tradeoff in all designs is good selectivity for small size, with selectivity sacrificed to achieve miniaturization. For smaller filters, SIRs have been used to design UWB circuits.24-26
What’s the Line on CRLH?
CRLH metamaterial transmission lines are characterized by nonlinear phase shifts, which can be leveraged to reduce the size of many microwave circuits, including filters.27 A CRLH transmission line has a nonlinear, positive/negative frequency-dependent phase response, which has been employed in a number of different compact BPF designs.28-33 The CRLH approach has led to a number of highly selective, while still compact, UWB filters.34-40
Increasing the number of transmission poles through the use of a CRLH unit cell made it possible to design an UWB BPF with good selectivity and relatively small size. The filter design is performed in two steps. The first step involves the design of a conventional, two-stage SIR BPF (Fig. 1a), and the second step is modifying the filter by adding a CRLH unit cell (Fig. 1b).
In the first step, the conventional two-stage SIT BPF circuitry is implemented on RT/duroid 6010 circuit material from Rogers Corp. The circuit laminate is a ceramic/PTFE composite material with a high dielectric constant (Dk) of 10.2 for miniaturization of transmission lines and circuit dimensions for a given characteristic impedance. The filter was fabricated on material with thickness, h, of 0.625 mm.
The SIR BPF was realized using two cascaded transmission lines having different impedances, Z1 and Z2, and different electrical lengths, θ1 and θ2, respectively. The characteristic impedances of the transmission lines are Z1 = 20 ⦠and Z2 = 32 â¦. The length, L, of each section is identical, at 3.8 mm. The input impedance of the SIR filter, Yi, can be expressed by means of Eq. 1 in terms of the ratio of the two impedances, k = Z2/Z1 with electrical length, θ = θ1 = θ2:
Yi = (jY2)[2(1+ k)(k – tan2 θ)tan θ]/[(k – 2)(1 + k + k2)(tan θ)] (1)
The conventional SIR filter design achieves zero input admittance (Yi = 0) at 4.5 GHz, 7 GHz, 9.25 GHz, and 13.4 GHz. These frequencies were selected to be at the start, center, and stop of the UWB bandwidth. Hence, the filter structure has corresponding resonances at θ0 = 52 deg., θs1 = deg., θs2 = 127 deg., and θs3 = 180 deg. at 4.5 GHz, 7 GHz, 9.25 GHz, and 13.4 GHz, respectively.
Computer simulations were performed on circuit models of the two-stage SIR filter using commercial electromagnetic (EM) simulation software. Figure 2 shows scattering (S) parameters of magnitude from those simulations. The computations reveal a bandpass response within the frequency range from 3.1 to 10.6 GHz, but the filter also has poor attenuation rolloff at the lower and upper cutoff frequencies. It can be seen that the two-stage SIR filter has three transmission poles in the passband, at 4.5, 7.0, and 9.25 GHz.
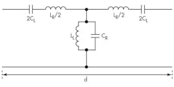
The second step in the filter design involves replacing the 20-⦠transmission line with a 20-⦠CRLH metamaterial unit cell (Fig. 1b). The unit cell contains a left-handed (LH) section that is designed with two series interdigital capacitors and two shunt stub inductors. A small section of a right-handed (RH) microstrip transmission line with 20-⦠impedance is placed next to the LH section (Fig. 1b).
Figure 3 shows an equivalent circuit of the CRLH transmission line. The values for the optimized interdigital capacitor and stub inductor are as shown in Fig. 1b. The CRLH transmission line was designed as a balanced configuration, with LH and RH sections having identical characteristic impedances. The characteristic impedance (ZCRLH) and the transmission phase shift (ÏCRLH) of this balanced CRLH transmission line are expressed by Eqs. 2 and 3 (ref. 9):
ZCRLH = ZRH = (LR/CR)0.5 = ZLH = (LL/CL)0.5 (2)
ÏCRLH = 1/ω(CLLL)0.5 – ω(CRLR)0.5 (3)
Realizing Design Goals
The first design objective of the CRLH transmission-line section is to achieve a balanced 20-⦠line for all desired frequency bands. A second objective was the optimization of the LH and RH phases to satisfy the resonant conditions and create more poles within the UWB frequency range. Essentially, this means meeting the following conditions within the filter’s passband: at θ0 = 52 deg., θs1=90 deg., θs2=127 deg., and θs3=180 deg. By controlling the nonlinear phase shift in the LH passband, more than three frequencies would satisfy these phases within the UWB passband.
To meet these design goals, the 20-⦠CRLH transmission line was designed such that the LH lower cutoff frequency was 3 GHz, the RH upper cutoff frequency was 11 GHz, and the transition point between the LH and RH passbands is at 8 GHz. The transition frequency was selected to help in controlling a nonlinear slow phase shift in the LH passband and to achieve better resonant conditions.
Following an optimization process, the magnitude (insertion loss) and phase of the UWB BPF were simulated with commercial EM software (Fig. 4). Due to the phase behavior of the CRLH transmission line, it can be seen that a phase condition of 90 deg. was satisfied twice within the UWB passband at two resonant frequencies: 3.1 and 7.0 GHz. A phase of –52 deg. was also repeated twice at two resonant frequencies within the passband, at 4.5 and 9.2 GHz. A phase of 180 deg. was repeated within the passband at 6.0 and 10.3 GHz. From these phase values, it can be claimed from the LH phase of this CRLH transmission-line section that integrating a conventional SIR filter circuit will increase the number of transmission poles.
The final UWB filter was fabricated on 0.625-mm-thick RT duroid circuit material with 50-⦠microstrip feed line. Figure 5a shows the filter layout, with the fabricated filter shown in Fig. 5b. The fabricated filter measures 23.4 × 20 mm2. Some optimization was performed when cascading the CRLH transmission line with the 30-⦠transmission line in the SIR filter circuit, with the final optimized length of line segment Lc being 4.2 mm.
Figure 6 shows the measured and simulated scattering (S) parameters for the filter. Good agreement was found between the simulated and measured insertion loss, around 0.5 to 1.0 dB within the frequency range from 4.2 to 10.6 GHz. At lower passband frequencies, however, the insertion loss was only about 4 dB from 3.1 to 4.2 GHz. This is due to the difficulty in meeting the CRLH transmission-line impedance criteria for the six phase requirements of the full UWB bandwidth.
The filter design is intended to have six poles from 3.1 to 10.6 GHz, and the simulations indicate that transmission poles can be found at resonant frequencies of 3.1, 4.5, 6.5, 9.2, 10.2, and 10.5 GHz. The measured return loss shows only five transmission poles, but those results are slightly shifted due to the challenges of the circuit fabrication process.
Figure 7 shows the simulated and measured group delay of the UWB filter. The simulated results demonstrate that the filter has almost constant group delay of 0.35 ns, with maximum variation of less than 0.1 ns within the passband. However, the group-delay variations increase from that 0.1-ns value, from 3.1 to 4.5 GHz and from 10.0 to 10.6 GHz. The measured results reveal that the group-delay variations are 0.2 ns from 4.5 to 10.0 GHz, and increased to about 0.5 ns from 3.0 to 4.5 GHz.
The overall technique of using CRLH metamaterials and substituting LH and RH transmission lines for conventional microstrip transmission lines shows great promise in this UWB filter design. However, fabrication and manufacturing processes must be refined to gain the full benefits of the design approach. Still, the fairly close agreement between computer simulations and measurements reveals the potential of applying this transmission-line technique to other circuit designs that require extremely broadband impedance matching.
Mahmoud A. Abdalla is a professor in the Electronic Engineering Department at Military Technical College (MTC), Cairo, Egypt; +2 01118750114, e-mail: [email protected], www.mtc.edu.eg.
Ahmed A. Ibrahim is a professor in the Faculty of Engineering at Minia University, El-Minia, Egypt; e-mail: [email protected], www.minia.edu.eg.
References:
1. United States Federal Communications Commission (FCC), “Revision of part 15 of the commission’s rules regarding ultra-wideband transmission system,” Federal Communications Commission, Washington, D.C., Technical Report ET-Docket 98-153, FCC02-48, April 2002.
2. Zhang-Cheng Hao and Jia-Sheng Hong, “Ultrawideband filter technologies,” IEEE Microwave Magazine, Vol. 11, No. 4, 2010, pp. 56-68.
3. Wenjie Feng, Wenquan Che, and Quan Xue, “Transversal Signal Interaction: Overview of High-Performance Wideband Bandpass Filters,” IEEE Microwave Magazine, Vol. 15, No. 2, 2014, pp. 84-96.
4. Vicente E. Boria, Pablo Soto, and Santiago Cogollos, “Distributed Models for Filter Synthesis,” IEEE Microwave Magazine, Vol. 12, No. 6, 2011, pp. 87-100.
5. C.W. Tang and M.G. Chen, “A Microstrip Ultra-Wideband Band-pass Filter with Cascaded Broadband Bandpass and Bandstop Filters,” IEEE Transactions on Microwave Theory & Techniques, Vol. 55, No. 11, 2007, pp. 2412-2418.
6. Y. Liu, C.H. Liang, and Y.J. Wang, “Ultra-Wideband Bandpass Filter Using Hybrid Quasi-Lumped Elements and Defected Ground Structure,” IET Electronics Letters, Vol. 5, No. 17, 2009, pp. 899-900.
7. J.L. Lee and Y.S. Kim, “Ultra-Wideband Band-pass Filter with Improved Upper Stopband Performance Using Defected Ground Structure,” IEEE Microwave and Wireless Components Letters, Vol. 20, No. 6, 2010, pp: 316-318.
8. Xiaofeng Sun and Eng Leong Tan, “Novel UltraâWideband Filter Using CoplanarâWaveguideâToâMicrostrip Transition and Stubs,” Microwave and Optical Technology Letters, Vol. 55, No. 10, 2013, pp. 2269-2271.
9. Sangyeol Oh, Beomsoo Shin, Jaehyuk Lim, Jongwon Choi, Seungjin Lee, and Jaehoon Lee, “UWB bandpass filter with dual notched bands based on microstrip to CPW transition,” in IEEE 16th Annual Wireless and Microwave Technology Conference (WAMICON), 2015, pp. 1-4.
10. H. Shaman and J.-S. Hong, “A novel ultra-wideband (UWB) bandpass filter (BPF) with pairs of transmission zeroes,” IEEE Microwave and Wireless Components Letters, Vol. 17, No. 2, 2007, pp. 121–123.
11. Xiuping Li and Xiang Ji, “Novel compact UWB bandpass filters design with cross-coupling between λ/4 short-circuited stubs,” IEEE Microwave and Wireless Components Letters, Vol. 24, No. 1, 2014, pp. 23-25.
12. L. Zhu, S. Sun, and W. Menzel, “Ultra-wideband (UWB) bandpass filter using multiple-mode resonator,” IEEE Microwave Wireless Components Letters, Vol. 15, No. 11, November 2005, pp. 796-798.
13. S.W. Wong and L. Zhu, “Quadruple-mode UWB Bandpass filter with improved out-of-band rejection,” IEEE Microwave and Wireless Components Letters, Vol. 19, No. 3, March 2009, pp. 152-154.
14. Xilong Lu, Bin Wei, Zhan Xu, Bisong Cao, Xubo Guo, Xiaoping Zhang, Ruixia Wang, and Fei Song, “Superconducting Ultra-Wideband (UWB) Bandpass Filter Design Based on Quintuple/Quadruple/ Triple-Mode Resonator,” IEEE Transactions on Microwave Theory & Techniques, Vol. 63, No. 4, 2015, pp. 1,281-1,293.
15. H.W. Deng, Y.J. Zhao, L. Zhang, X.S. Zhang, and S.P. Gao “Compact quintuple-mode stub-loaded resonator and UWB filter,” IEEE Microwave and Wireless Components Letters, Vol. 20, No. 8, August 2010, pp. 438-440.
16. Q.-X. Chu, X.-H. Wu, and X.-K. Tian, “Novel UWB Bandpass filter Using stub-loaded multiple-mode resonator,” IEEE Microwave and Wireless Components Letters, Vol. 21, No. 8, August 2011, pp. 403-405.
17. Y.X. Zhou, D.X. Qu, X.J. Zhong, J.D. Ye, and K. Li, “A novel compact ultra-wideband bandpass filter using microstrip stub-loaded triple-mode resonator doublets,” 2015 IEEE International Wireless Symposium (IWS), 2015, pp. 1-4.
18. Amin M. Abbosh, “Design method for ultra-wideband bandpass filter with wide stopband using parallel-coupled microstrip lines,” IEEE Transactions on Microwave Theory & Techniques, Vol. 60, No. 1, 2012, pp. 31-38.
19. Amin M. Abbosh, “Ultrawideband balanced bandpass filter,” IEEE Microwave and Wireless Components Letters, Vol. 21, No. 9, 2011, pp. 480-482.
20. H. Wang, Y.Y. Zheng, W. Kang, C. Miao, and W. Wu, “UWB bandpass filter with novel structure and super compact size,” Electronics Letters, Vol. 48, No. 17, 2012, pp. 1,068-1,069.
21. Huanting Chen, “Compact UWB BPF using coupled-line triple-mode resonator,” Electronics Letters, Vol. 49, No. 24, 2013, pp. 1,541-1,542.
22. Ting Zhang, Fei Xiao, Jingfu Bao, and Xiaohong Tang, “Compact ultra-wideband bandpass filter with good selectivity,” Electronics Letters, Vol. 52, No. 3, 2016, pp. 210-212.
23. Q.X. Chu and X.K. Tian, “Design of UWB bandpass filter using stepped-impedance stub-loaded resonator,” IEEE Microwave and Wireless Components Letters, Vol. 20, No. 9, 2010, pp. 501-503.
24. Feng Wei, Wen Tao Li, Xiao Wei Shi, and Qiu Lin Huang, “Compact UWB Bandpass Filter With Triple-Notched Bands Using Triple mode Stepped Impedance Resonator,” IEEE Microwave and Wireless Components Letters, Vol. 22, No. 10, 2012, pp. 512-514.
25. Mahmoud. A. Abdalla, Mohamed A. Fouad, Ali M. Rayad, and Aser M. Medhat, “A compact ultrawide BPF for high speed communications,” 2nd MeCAP Conference, December 2012, Cairo, Egypt, pp. 1-4.
26. Zhaojiang Shang, Xubo Guo, Bisong Cao, Bin Wei, Xiaoping Zhang, Yong Heng, Guannan Suo, and Xiaoke Song, “Design of a superconducting ultra-wideband (UWB) bandpass filter with sharp rejection skirts and miniaturized size,” IEEE Microwave and Wireless Components Letters, Vol. 23, No. 2, 2013, pp. 72-74.
27. C. Caloz and T. Itoh, Electromagnetic Metamaterials Transmission Line Theory and Microwave Applications, Wiley, New York, 2006.
28. Mahmoud Abdalla, A.Y. Hassan, A.M. Galal Eldin, “A Compact High Selective Coupled Gap CRLH TL Based Bandpass Filter,” 9th International Congress on Advanced Electromagnetic Material in Microwave and Optics, United Kingdom, September 7-12, 2015, pp. 237-239.
29. Mohammed. A. Fouad and Mahmoud A Abdalla, “Ultra Compact CPW Dual Band Filter Based on Π-Generalized Metamaterial NRI Transmission Line,” Journal of Electromagnetic Waves and Applications, Vol. 9, No. 8, 2015, pp. 1093-1103.
30. Ahmed Ibrahim, Adel Abdel-Rahman, and Mahmoud Abdalla, “Design of Third Order Band Pass Filter Using Coupled Meta-material Resonators,” 2014 IEEE APS International Antenna and Propagation Symposium Digest, Memphis, TN, July 6-11, 2014, pp. 1702-1703.
31. Mohammed. A. Fouad and Mahmoud A Abdalla, “A New π-T Generalized Metamaterial NRI Transmission Line for a Compact CPW Triple BPF Applications,” IET Microwave, Antennas and Propagation, Vol. 8, No. 9, June 2014, pp. 1097-1104.
32. Ahmed A. Ibrahim, Adel B. Abdel-Rahman, Mahmoud A. Abdalla, and Hesham F. A. Hamed, “Compact Size Microstrip Coupled Resonator Band Pass Filter Loaded with Lumped Capacitors,” International JEC-ECC, Cairo, Egypt, 2013, pp. 1-4.
33. M. A. Abdalla, M. A. Fouad, H. A. Elregeily, and A. A. Mitkees, “Wideband Negative Permittivity Metamaterial for size reduction of stopband filter in Antenna Applications,” Progress in Electromagnetics Research C, Vol. 25, 2012, pp. 55-66.
34. Ahmed Kafil Uddin and Bal S. Virdee, “Ultra-wideband bandpass filter based on composite right/left handed transmission-line unit-cell,” IEEE Transactions on Microwave Theory & Techniques, Vol. 61, No. 2, 2013, pp. 782-788.
35. Abdullah Alburaikan, Mohammed Aqeeli, Xianjun Huang, and Zhirun Hu, “Miniaturized Ultra-Wideband Bandpass Filter Based on CRLH-TL Unit Cell,” 44th European Microwave Conference (EuMC), 2014, pp. 540-543.
36. Ali Abid and Zhirun Hu, “Metamaterial Resonator Based Wave Propagation Notch for Ultrawideband Filter Applications,” IEEE Antennas and Wireless Propagation Letters, Vol. 7, 2008, pp. 210 - 212.
37. Young-Chun Yun, Seung-Hun Oh, Jeong-Hyeok Lee, Kyung Choi, Tae-Kyung Chung, and Hyeong-Seok Kim, “Optimal Design of a Compact Filter for UWB Applications Using an Improved Particle Swarm Optimization,” IEEE Transactions on Magnetics, Vol. 52, No. 3, 2016, pp. 1-4.
38. Xiuping Li and Xiang Ji. “Novel compact UWB bandpass filters design with cross-coupling between short-circuited stubs,” IEEE Microwave and Wireless Components Letters, Vol. 24, No. 1, 2014, pp. 23-25.
39. He Zhu and Qing-Xin Chu, “Compact ultra-wideband (UWB) bandpass filter using dual-stub-loaded resonator (DSLR),” IEEE Microwave and Wireless Components Letters, Vol. 23, No. 10, 2013, pp. 527-529.
40. Xiao-Hu Wu, Qing-Xin Chu, Xu-Kun Tian, and Xiao Ouyang. “Quintuple-mode UWB bandpass filter with sharp roll-off and super-wide upper stopband,” IEEE Microwave and Wireless Components Letters, Vol. 21, No. 12 , 2011, pp. 661-663.








