Today’s automobiles are an amalgamation of technology from three different centuries: combustion engines from the 19th, electrical systems from the 20th, and electronics from the 21st. The rapid rise in electronic complexity within vehicles means many more active components and assemblies than ever, all of which emit some amount of RF noise that can affect other active components and assemblies.
As a result, the automotive electromagnetic environment is rife with both radiated and conducted interference in frequencies that range from low (LF) to super high (SHF). Sometimes the imposition of one device’s RF noise on another device can result in unanticipated, and unwelcome, changes in system operation.
With so much electronic content within vehicles, electromagnetic-compatibility (EMC) testing has become both more essential and more challenging. In this article, we’ll discuss some techniques for using oscilloscopes to assist with the rigorous testing requirements.
Making the Most of Acquisition Memory
Consider the automotive standard ISO 7637-2:2011. Its specification includes electromagnetic compatibility of conducted electrical transients affecting equipment installed in passenger vehicles powered by 12- and 24-V batteries. The characteristic transient shape has a fast rise time requiring a high sampling rate but has an ultra-low pulse duty cycle of only 0.003%. This creates an enormous strain on oscilloscope resources as the scope struggles to sustain a high sampling rate over very long capture periods.
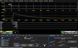
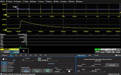
As an example, referring to Figure 1, the oscilloscope has already consumed 50 million sample points to acquire a mere 10 pulses of ISO 7637-2:2011 pulse 2A. As an aside, the oscilloscope used for these measurements is Teledyne LeCroy’s 12-bit WavePro804 HD, an 8-GHz, four-channel instrument with a peak sampling rate of 20 Gsamples/s and 100 Mpoints/channel of acquisition memory.
1. The ultra-low duty cycle of conducted transient measurements can strain oscilloscope resources.
Due to the low duty cycle of the automotive transient pulse, such a capture consumes a large amount of oscilloscope memory even though the pulse of interest resides within a small fraction of that memory. Because sample rate = memory depth/time capture window, and the pulses span a large expanse of time, using less memory would result in a reduction of sampling rate, which would in turn degrade the pulse’s rise time.
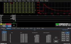
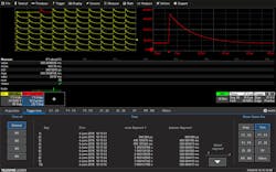
To ignore the dead time between pulses of interest, and to maximize oscilloscope resources applied to the pulses of interest, one might use a sequential capture mode. In the dual-grid display, the total time capture window is 5 seconds, with a zoom in the lower grid of 90 µs.
Figure 2 shows the same automotive standard ISO 7637-2 Pulse 2A pulse train, acquired with a sequential capture. In this case, the dead time between pulses is removed, and the memory is only consumed with the 0.003% duty-cycle pulse of interest.
2. Performing a sequential capture is the antidote to inefficient memory utilization.
Consider the time base settings of Fig. 1, in which the oscilloscope captured 5 seconds of data at 10 Msamples/s, consuming 50 million sample points to capture only 10 pulses. By contrast, in Fig. 2, the oscilloscope captured 80 pulses at 50 Msamples/s (5X higher sampling rate), but it consumed only 5000 sample points per pulse, or 80 × 5000 = 400 kpoints total. This results in 8X the number of pulses captured, at a 5X higher sampling rate, while only consuming 400k/50M = 1/125, or 0.8% as much total acquisition memory.
Note the time-stamp information shows that an ISO 7637-2 Pulse 2A occurred consistently every 500 ms, except for the two leading anomalies. These were captured from the transient simulator, with irregular inter-segment timing of 240 µs and 489 ms, respectively.
Following the Trend
Another important automotive standard is ISO 10605:2008, which is based in part on IEC 61000-4-2. ISO 10605:2008 specifies the electrostatic-discharge (ESD) test methods for evaluating vehicle electronic modules. It applies to ESD in assembly as well as ESD caused by both service staff and occupants. One requirement of the standard is the measurement of 10 consecutive pulse parameters. The challenge posed by this measurement to test engineers has been maintaining a record of the consecutive pulse measurements as they’re replaced with subsequent acquisitions.
A recently developed technique applies a mathematical trend operator to the ISO 10605:2008 pulse parameters to chronologically graph the measurement result (shown in a live pulse capture in Figure 3). The Trend math function in Teledyne LeCroy oscilloscopes is a waveform composed of parameter measurements arranged in the order the measurements were made. There’s one value for each measurement and the math function plots the measured values vs. the order number. Trends can contain up to 1 million discrete parameter measurement values.
3. An oscilloscope’s trend math operator maintains a record of consecutive pulse measurements.
A variation of this approach is the Track math function, which, like the Trend function, consists of measured parameter values in the order they were taken. But the data is synchronized to the time scale, so that the Track waveform is time-coherent with the source trace.
Therefore, if, for example, you measured pulse period, the Track function would show a single period value for the duration of each cycle in the source waveform. This means that the Track function plots parameter values vs. time. Due to the time synchronization, the Track function contains many intentionally redundant values, as the number of points in the Track function is identical to the number of samples in the source waveform.
Figure 4 shows the relevant ESD verification test setup for ISO 10605:2008 automotive testing. The ESD transient simulator injects ESD pulses into the shielded current-shunt target. An attenuator chain consisting of a 20-dB attenuator at the current-shunt target output in line with a 6-dB attenuator on the input of the oscilloscope reduces the typical 2000- to 8000-V ESD output to within the 5-V range of the oscilloscope's 50-Ω coupled input. The 12-bit vertical resolution of the WavePro804 HD oscilloscope captured the fine detail of the electrostatic-discharge transient.
4. Shown is a setup for ISO 10605:2008 ESD pulse immunity testing.
Using oscilloscope capabilities such as sequential measurement mode, and math functions such as Trends and/or Tracks, can help make the most of your instrument’s memory and sampling resources. These capabilities are especially useful in the demanding environment of automotive EMC compliance testing.
Mike Hertz is Field Applications Engineer and David Maliniak is Technical Marketing Communication Specialist at Teledyne LeCroy.
About the Author

Leaders relevant to this article:





